SẢN PHẨM
Vị trí hiện tại:Trang Chủ > Sản phẩm > Thiết bị truyền động đai tiêu chuẩn > Dòng MKR > MKR110 > Động cơ bên trái 
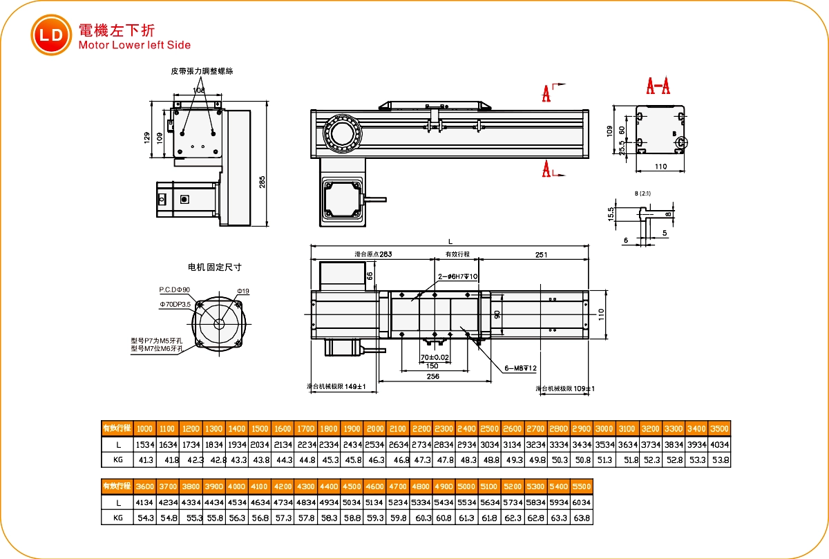
Độ lặp lại: ±0,1mm
Tải trọng ngang: 200kg
Chì: 280mm
Tốc độ tối đa: 1400 mm/giây
Khoảng cách giữa các hành trình piston: 100-5500mm
Đặt thời gian tăng tốc và giảm tốc của động cơ là 0,2 giây.
Các thông số kỹ thuật tiêu chuẩn không áp dụng cho việc sử dụng cần cẩu lật ngược. Nếu quý khách có bất kỳ yêu cầu nào, vui lòng liên hệ với chúng tôi qua điện thoại hoặc để lại tin nhắn trực tuyến.
Thời gian giao hàng: 7-10 ngày





| Thông số kỹ thuật | Độ lặp lại (mm) | ±0,1 | ||||||
| Chì (mm) | 200 | |||||||
| Tỷ lệ giảm | 10:1 | 15:1 | 20:1 | |||||
| Tốc độ tối đa (mm/s) | 1400 | 933 | 700 | |||||
| Tải trọng tối đa | Theo phương ngang (kg) | 100 | 150 | 200 | ||||
| Theo phương thẳng đứng (kg) | 23 | 36 | 50 | |||||
| Lực đẩy định mức (N) | 517 | 774 | 1034 | |||||
| Khoảng cách giữa các nhát bóp (mm) | Khoảng cách giữa các lỗ vít là 100-5500mm/Bước răng 100mm. | |||||||
| Các bộ phận | Công suất động cơ servo AC (W) | 750W | ||||||
| Chiều rộng bi (mm) | 50 | |||||||
| Thanh dẫn hướng tuyến tính độ cứng cao (mm) | W23XH19 | |||||||
| Cảm biến nhà | Ngoài | EE-SX672(NPN) | ||||||


| Lắp đặt theo chiều ngang | MỘT | B | C | |
| 10 ∶ 1 | 60kg | 1110 | 195 | 25 |
| 80kg | 750 | 126 | 16 | |
| 100kg | 550 | 85 | 11 | |
| 15∶1 | 90kg | 1400 | 160 | 20 |
| 120kg | 940 | 100 | 13 | |
| 150kg | 650 | 63 | 8 | |
| 20∶1 | 120kg | 1400 | 115 | 15 |
| 160kg | 900 | 65 | 8 | |
| 200kg | 550 | 35 | 5 | |

| Lắp đặt trên tường | MỘT | B | C | |
| 10 ∶ 1 | 60kg | 25 | 195 | 1110 |
| 80kg | 16 | 126 | 750 | |
| 100kg | 11 | 85 | 550 | |
| 15∶1 | 90kg | 20 | 160 | 1400 |
| 120kg | 13 | 100 | 940 | |
| 150kg | 8 | 63 | 650 | |
| 20∶1 | 120kg | 15 | 115 | 1400 |
| 160kg | 8 | 65 | 900 | |
| 200kg | 5 | 35 | 550 | |

| Lắp đặt theo chiều dọc | MỘT | C | |
| 10 ∶ 1 | 12kg | 1300 | 1300 |
| 18kg | 870 | 870 | |
| 23kg | 680 | 680 | |
| 15∶1 | 14kg | 1480 | 1480 |
| 25kg | 830 | 830 | |
| 36kg | 575 | 575 | |
| 20∶1 | 30kg | 750 | 750 |
| 40kg | 560 | 560 | |
| 50kg | 450 | 450 | |

| CỦA TÔI | 1479.3 |
| Nghị sĩ | 1479.3 |
| ÔNG | 189,7 |
| Sử dụng ở đâu | Chế độ lái | Thông số kỹ thuật mô hình | Cơ chế giảm | Công suất động cơ (w) | Chiều rộng (mm) | Khả năng lặp lại (mm) | Thông số kỹ thuật dây đai | Tải trọng tối đa (kg) | Tốc độ tối đa (mm/s) *1 | ||
|---|---|---|---|---|---|---|---|---|---|---|---|
| Chiều rộng đai (mm) | Chì (mm) | Nằm ngang | Thẳng đứng | ||||||||
| Tiêu chuẩn | Dây đai thời gian | MKR40 | Đúng | 100W | 40 | ±0,1 | 15 | 90 | 8 | 2 | 4500 |
| MKR65 | Đúng | 400W | 65 | ±0,1 | 30 | 130 | 60 | 17 | 5000 | ||
| MKR80 | Đúng | 750W | 80 | ±0,1 | 35 | 200 | 100 | 24 | 5000 | ||
| MKR110 | Đúng | 750W/1000 | 110 | ±0,1 | 50 | 280 | 200 | 50 | 5000 | ||
| OBB65 | Đúng | 400W | 65 | ±0,1 | 30 | 110 | 25 | 6 | 5000 | ||









