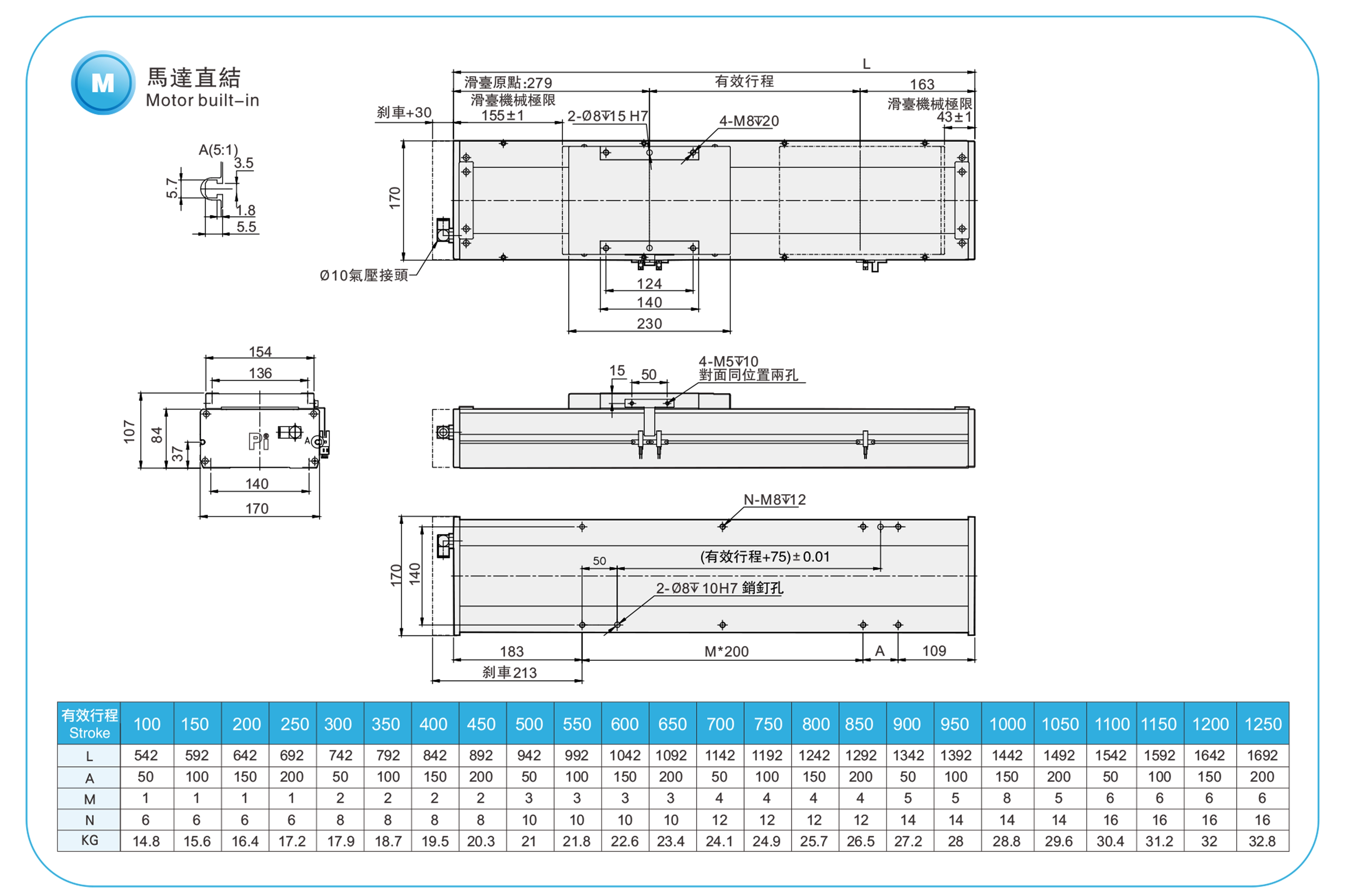
Vị trí hiện tại:Trang Chủ > Sản phẩm > Thiết bị truyền động trục vít bóng tiêu chuẩn > Dòng RMD > RMD17 > Kết nối trực tiếp 
Độ lặp lại: ±0,01mm
Tải trọng ngang: 120kg
Tải trọng thẳng đứng: 50kg
Tốc độ tối đa: 2000 mm/giây
Khoảng cách giữa các nhịp piston: 100-1250mm
Đặt thời gian tăng tốc và giảm tốc của động cơ là 0,2 giây.
Các thông số kỹ thuật tiêu chuẩn không áp dụng cho việc sử dụng cần cẩu lật ngược. Nếu quý khách có bất kỳ yêu cầu nào, vui lòng liên hệ với chúng tôi qua điện thoại hoặc để lại tin nhắn trực tuyến.
Thời gian giao hàng: 7-10 ngày






| Thông số kỹ thuật | Độ lặp lại (mm) | ±0,01 | ||||
| Bước ren vít bi (mm) | 5 | 10 | 20 | 40 | ||
| Tốc độ tối đa (mm/s) | 250 | 500 | 1000 | 2000 | ||
| Tải trọng tối đa | Theo phương ngang (kg) | 120 | 110 | 75 | 22 | |
| Theo phương thẳng đứng (kg) | 40 | 30 | 14 | 7 | ||
| Lực đẩy định mức (N) | 1388 | 694 | 347 | 174 | ||
| Khoảng cách giữa các nhát bóp (mm) | Bước răng 100-1250mm/50mm | |||||
| Các bộ phận | Công suất động cơ servo AC (W) | 400W | ||||
| Đường kính vít me bi (mm) | C7Ø20 | |||||
| Ray dẫn hướng tuyến tính độ cứng cao (mm) | W20XH15 | |||||
| Khớp nối (mm) | 12X14 | |||||
| Cảm biến nhà | Ngoài | EE-SX672(NPN) | ||||
| Tích hợp sẵn | EE-SX674(NPN) | |||||


| Lắp đặt theo chiều ngang | MỘT | B | C | |
| Lead5 | 70kg | 3235 | 349 | 408 |
| 90kg | 2482 | 263 | 306 | |
| 120kg | 1850 | 187 | 217 | |
| Lead10 | 65kg | 1911 | 338 | 373 |
| 85kg | 1445 | 248 | 276 | |
| 110kg | 1102 | 182 | 202 | |
| Lead20 | 35kg | 1666 | 547 | 538 |
| 55kg | 1030 | 331 | 328 | |
| 75kg | 733 | 231 | 230 | |
| Lead40 | 15kg | 1126 | 740 | 577 |
| 22kg | 755 | 490 | 384 | |
| - | - | - | - | |

| Lắp đặt trên tường | MỘT | B | C | |
| Lead5 | 75kg | 377 | 322 | 2988 |
| 95kg | 288 | 246 | 2333 | |
| 120kg | 218 | 187 | 1850 | |
| Lead10 | 60kg | 408 | 368 | 2092 |
| 80kg | 296 | 266 | 1554 | |
| 110kg | 202 | 182 | 1102 | |
| Lead20 | 30kg | 633 | 644 | 1961 |
| 50kg | 365 | 369 | 1143 | |
| 75kg | 230 | 231 | 733 | |
| Lead40 | 12kg | 729 | 936 | 1417 |
| 22kg | 384 | 491 | 755 | |
| - | - | - | - | |

| Lắp đặt theo chiều dọc | MỘT | C | |
| Lead5 | 20kg | 1368 | 1368 |
| 30kg | 911 | 911 | |
| 40kg | 683 | 683 | |
| Lead10 | 15kg | 1618 | 618 |
| 25kg | 970 | 970 | |
| 30kg | 808 | 808 | |
| Lead20 | 10kg | 1922 | 1922 |
| 14kg | 1377 | 1377 | |
| - | - | - | |
| Lead40 | 4kg | 2377 | 2377 |
| 7kg | 1356 | 1356 | |
| - | - | - | |

| CỦA TÔI | 1032 |
| Nghị sĩ | 1034 |
| ÔNG | 908 |
| Sử dụng ở đâu | Chế độ lái | Thông số kỹ thuật mô hình | Công suất động cơ (w) | Chiều rộng (mm) | Khả năng lặp lại (mm) | Thông số kỹ thuật vít bi | Tải trọng tối đa (kg) | Tốc độ tối đa (mm/s) *1 | ||
|---|---|---|---|---|---|---|---|---|---|---|
| Đường kính ngoài (mm) | Chì (mm) | Nằm ngang | Thẳng đứng | |||||||
| Môi trường tiêu chuẩn | Vít bi | RMD12 | 100W | 102 | ±0,01 | 16 | 5 | 50 | 12 | 250 |
| 10 | 30 | 8 | 500 | |||||||
| 20 | 18 | 3 | 1000 | |||||||
| 32 | 5 | - | 1600 | |||||||
| 200W | 102 | ±0,01 | 16 | 5 | 50 | 12 | 250 | |||
| 10 | 30 | 8 | 500 | |||||||
| 20 | 18 | 3 | 1000 | |||||||
| 32 | 5 | - | 1600 | |||||||
| RMD14 | 200W | 135 | ±0,01 | 16 | 5 | 95 | 27 | 250 | ||
| 10 | 75 | 18 | 500 | |||||||
| 20 | 35 | 7 | 1000 | |||||||
| 32 | 15 | - | 1600 | |||||||
| 400W | 135 | ±0,01 | 16 | 5 | 110 | 33 | 250 | |||
| 10 | 88 | 22 | 500 | |||||||
| 20 | 40 | 10 | 1000 | |||||||
| 32 | 30 | 8 | 1600 | |||||||
| RMD17 | 400W | 170 | ±0,01 | 20 | 5 | 120 | 40 | 250 | ||
| 10 | 110 | 30 | 500 | |||||||
| 20 | 75 | 14 | 1000 | |||||||
| 40 | 22 | 7 | 2000 | |||||||
| 750W | 170 | ±0,01 | 20 | 5 | 120 | 50 | 250 | |||
| 10 | 120 | 40 | 500 | |||||||
| 20 | 83 | 25 | 1000 | |||||||
| 40 | 43 | 12 | 2000 | |||||||
| RMD22 | 750W | 220 | ±0,01 | 25 | 5 | 150 | 55 | 250 | ||
| 10 | 150 | 45 | 500 | |||||||
| 25 | 105 | 20 | 1250 | |||||||
| 20 | 40 | 43 | 12 | 2000 | ||||||
| RMD28 | 1500W | 280 | ±0,01 | 32 | 10 | 320 | 150 | 500 | ||
| 20 | 180 | 75 | 1000 | |||||||
| 32 | 75 | 35 | 1600 | |||||||
* Tốc độ cao nhất dựa trên tốc độ quay tối đa của động cơ servo (3000 vòng/phút). Tốc độ cao nhất dựa trên tốc độ quay tối đa của động cơ bước (500 vòng/phút).






