SẢN PHẨM

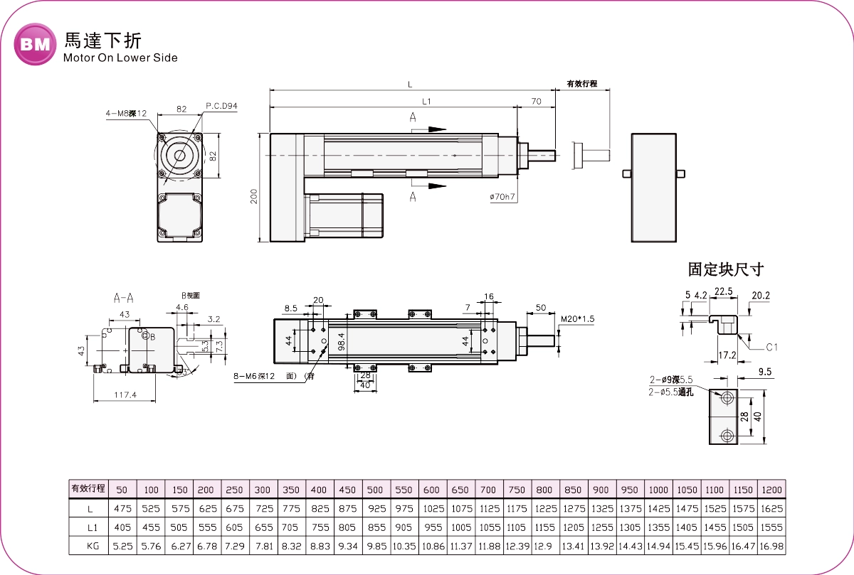
Độ lặp lại: ±0,01mm
Tải trọng ngang: 200kg
Tải trọng thẳng đứng: 65kg
Tốc độ tối đa: 1250 mm/giây
Phạm vi di chuyển: 50-1200mm
Đặt thời gian tăng tốc và giảm tốc của động cơ là 0,2 giây.
Các thông số kỹ thuật tiêu chuẩn không áp dụng cho việc sử dụng cần cẩu lật ngược. Nếu quý khách có bất kỳ yêu cầu nào, vui lòng liên hệ với chúng tôi qua điện thoại hoặc để lại tin nhắn trực tuyến.
Thời gian giao hàng: 7-10 ngày




| Thông số kỹ thuật | Độ lặp lại (mm) | ±0,01 | |||
| Chì (mm) | 5 | 10 | 25 | ||
| Tốc độ tối đa (mm/s) | 250 | 500 | 1250 | ||
| Tải trọng tối đa | Theo phương ngang (kg) | 200 | 180 | 138 | |
| Theo phương thẳng đứng (kg) | 65 | 55 | 25 | ||
| Lực đẩy định mức (N) | 2520 | 1260 | 504 | ||
| Khoảng cách giữa các nhát bóp (mm) | 50-1200mm/Bước răng 50 | ||||
| Công suất đầu ra của động cơ servo AC (w) | 750W | ||||
| Các bộ phận | Đường kính vít me bi (mm) | C7Ø25 | |||
| Khớp nối (mm) | 17X19 | ||||
| Cảm biến nhà | Ngoài | CS-6T | |||


| Sử dụng ở đâu | Chế độ lái | Thông số kỹ thuật mô hình | Công suất đầu ra của động cơ (W) | Chiều rộng (mm) | Độ lặp lại (mm) | Thông số kỹ thuật vít bi | Tải trọng tối đa (kg) | Tốc độ tối đa (mm/s) *1 | ||
|---|---|---|---|---|---|---|---|---|---|---|
| Đường kính ngoài (mm) | Chì (mm) | Nằm ngang | Thẳng đứng | |||||||
| Môi trường tiêu chuẩn | Vít bi | EC 50 | 100W | 52 | ±0,01 | 12 | 5 | 30 | 12 | 250 |
| 10 | 15 | 5 | 500 | |||||||
| EC 50L | 100W | 52 | ±0,01 | 12 | 5 | 50 | 15 | 250 | ||
| 10 | 30 | 8 | 500 | |||||||
| EC 50T | 100W | 52 | ±0,01 | 12 | 5 | 50 | 15 | 250 | ||
| 10 | 30 | 8 | 500 | |||||||
| EC 65 | 400W | 65 | ±0,01 | 16 | 5 | 110 | 33 | 250 | ||
| 10 | 88 | 22 | 500 | |||||||
| 16 | 48 | 10 | 800 | |||||||
| 20 | 40 | 8 | 100 | |||||||
| EC 65L | 400W | 65 | ±0,01 | 16 | 5 | 110 | 33 | 250 | ||
| 10 | 88 | 22 | 500 | |||||||
| 16 | 48 | 10 | 800 | |||||||
| 20 | 40 | 8 | 100 | |||||||
| EC 65T | 400W | 65 | ±0,01 | 16 | 5 | 110 | 33 | 250 | ||
| 10 | 88 | 22 | 500 | |||||||
| 16 | 48 | 10 | 800 | |||||||
| 20 | 40 | 8 | 100 | |||||||
| EC 80 | 700W | 80 | ±0,01 | 25 | 5 | 200 | 65 | 250 | ||
| 10 | 180 | 55 | 500 | |||||||
| 25 | 138 | 25 | 1000 | |||||||
| EC 80T | 700W | 80 | ±0,01 | 25 | 5 | 200 | 65 | 250 | ||
| 10 | 180 | 55 | 500 | |||||||
| 25 | 138 | 25 | 1000 | |||||||






